Saltar la navegación

Pilas y baterías

Batería Coche
Batería coche

Pertenecen a este tipo las pilas y baterías.

Se basan en una celda electroquímica en la que hay dos electrodos metálicos en contacto con un electrolito. En su interior se produce una reacción química de oxidación-reducción entre los electrodos y el electrolito. En uno de los electrodos se produce exceso de electrones, al ceder iones + al electrolito, y en el otro electrodo, defecto de electrones, al recoger los iones + del electrolito, provocando así una diferencia de potencial y una circulación de corriente al cerrar el circuito.


Su uso está generalizado como sistema de almacenamiento de energía eléctrica y se emplea en todo tipo de dispositivos portátiles: linternas, teléfonos móviles, juguetes, automóviles, etc.

A lo largo de este tema consideraremos que los generadores tienen un comportamiento ideal.

Un generador de voltaje ideal, es aquel que mantiene un voltaje fijo entre sus bornes independientemente de la resistencia de la carga que pueda estar conectada entre ellos.

Sea un circuito tipo como el siguiente:

Generador
Generador ideal



Por tanto un generador ideal de voltaje es aquel que mantiene constante el voltaje en sus bornes (E), sin importar la carga que se conecte ni la corriente que deba suministrar.

👉 Matemáticamente:         voltaje pila ideal    para cualquier valor de la corriente I.  Donde E es la diferencia de potencial suministrada por el generador.

¿Las pilas son generadores ideales?

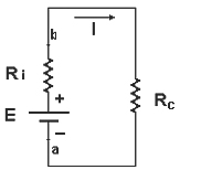
Por aplicación de la segunda ley de Kirchhoff se cumple que la tensión suministrada por el generador ha de ser igual a la suma de las caídas de tensión individuales en cada una de las resistencias.

Por otro lado en aplicación de la ley de Ohm la caída de tensión en las resistencias es igual al producto de la intensidad por su resistencia:

👉 Matemáticamente:       

caída tensión generador
Formula caída tensión generador

Ri = Resistencia interna
En la realidad, todo generador (batería, fuente, pila, alternador, etc.) tiene pérdidas internas debidas a su construcción.

Para modelar eso en los cálculos, se introduce una resistencia interna Ri, conectada en serie con la f.e.m. del generador.

Un generador es capaz de proporcionar toda la corriente que se le solicite, mientras tenga reservas de carga, pero si suministra valores de corriente por encima de su valor nominal se acorta su vida útil muy significativamente, pudiendo llegar a quemarse.


Capacidad de carga (Ah):


La capacidad de carga total de una pila se mide en amperios por hora (Ah); es el número máximo de amperios que el elemento puede suministrar en una hora.

Una batería con una capacidad de carga de 10 Ah puede estar alimentando un circuito que requiera 1 amperio durante 10 horas, o bien 0,5 amperios durante 20 horas y así sucesivamente.

Generalmente cuando se extrae una gran cantidad de corriente de manera continuada la pila sufre más y entrega menos potencia total que si la solicitación de carga es para valores de corriente más reducidos.

Creado con eXeLearning (Ventana nueva)